
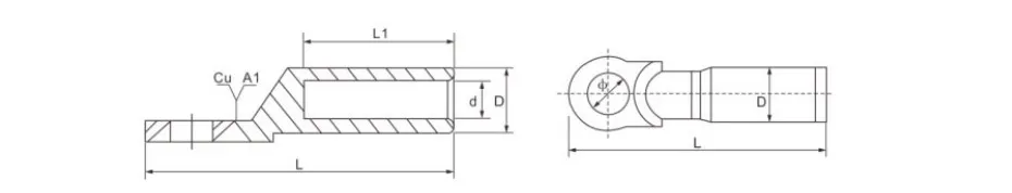
| Type | ∅ | D | d | L | L1 |
| DTL-2-16 | 13 | 16 | 5.5 | 87 | 42 |
| DTL-2-25 | 13 | 16 | 6.5 | 87 | 4 |
| DTL-2-35 | 13 | 16 | 8 | 87 | 42 |
| DTL-2-50 | 13 | 20 | 9 | 87 | 43 |
| DTL-2-70 | 13 | 20 | 11 | 87 | 43 |
| DTL-2-95 | 13 | 20 | 12.5 | 87 | 43 |
| DTL-2-120 | 13 | 25 | 13.5 | 111 | 60 |
| DTL-2-150 | 13 | 25 | 15.5 | 111 | 60 |
| DTL-2-185 | 13 | 32 | 17.5 | 116 | 60 |
| DTL-2-240 | 13 | 32 | 19.5 | 116 | 60 |
| DTL-2-300 | 13 | 34 | 22.5 | 120 | 62 |
PREV
Clean Our Workshop
NEXT
NULL
GET A QUOTE
+86 18966293209