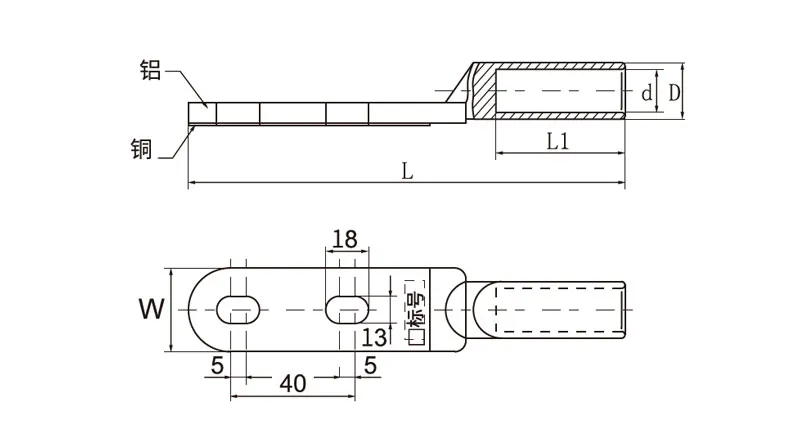
DTLS soldering double holes copper/aluminum terminals combine the conductivity of copper with the durability of aluminum to provide a versatile solution for electrical connections. These terminals are soldered for a strong bond and are suitable for demanding applications that require performance and reliability. The dual-hole design further enhances their strength and versatility.
| Item No. | Sizes (mm) | ||||
| L | L1 | W | D | d | |
| DTLS-10Q | 110 | 30 | 19 | 12 | 5.5 |
| DTLS-16Q | 112 | 32 | 19 | 12 | 6 |
| DTLS-25Q | 114 | 34 | 19 | 12 | 7 |
| DTLS-35Q | 120 | 40 | 19 | 14 | 8.5 |
| DTLS-50Q | 127 | 42 | 23 | 16 | 9.5 |
| DTLS-70Q | 138 | 47 | 26 | 18 | 11.5 |
| DTLS-95Q | 144 | 50 | 28 | 21 | 13.5 |
| DTLS-120Q | 148 | 53 | 30 | 23 | 15 |
| DTLS-150Q | 156 | 55 | 34 | 25 | 16.5 |
| DTLS-185Q | 165 | 58 | 37 | 27 | 18.5 |
| DTLS-240Q | 170 | 60 | 40 | 30 | 21 |
| DTLS-300Q | 179 | 65 | 40 | 34 | 23 |
| DTLS-400Q | 190 | 70 | 50 | 38 | 26.5 |
| DTLS-500Q | 210 | 75 | 50 | 42 | 29.5 |

PREV
Clean Our Workshop
NEXT
NULL
GET A QUOTE
+86 18966293209